0
38
ÀÌÀü
´ÙÀ½
À§·Î

ÀϹÝÁ¦Ç°»ó´ãÀüÈ­:010-5917-7859 ÆÄÅ·¼¼ÀÏ ¸ðµç »óǰÀº ºÎ°¡¼¼Æ÷ÇÔ, ¹è¼Ûºñ º°µµÀÔ´Ï´Ù.
½Ã¾È Àü¿ë¸ÞÀÏ : 0707507@naver.com  ´ë·®±¸¸Å/¼¼±Ý°è»ê¼­ ¹ßÇà ¹®ÀÇ : 010-5917-7859

¨çÁÖÂ÷|µµ·Î¿ëǰ
¨è¾ÈÀü¿ëǰ
¨é¾È³»°£ÆÇ|¹Ý»çÁö|Ç¥ÁöÆÇ
¨ê»ýȰ¿ëǰ|»ýȰ¾ÈÀü|Â÷·®¿ëǰ
¨ë»ç¹«¿ëǰ|°¡±¸
¨ì°ø±¸|»ê¾÷¿ëǰ
¨íö¹°|°Ç¼³|°ÇÃà|Åä¸ñ
¨îÃâÀÔ|¹æ¼Û|CCTV|¹æ¹ü
¨ï¿µ»óó¸®|ÀÚµ¿ÀνÄ
¨ðÀü±â|ÀÚµ¿Á¦¾î
¨ñÀüÀÚ|ÄÜÆ®·Ñ·¯|Áö´ÉÇüȨ
¨ò±â°è|±â°è¿ä¼Ò
¨ó°³¹ß»óǰ|±âŸ°áÀç
 [Exso] ÇÖ¸áÆ® ±Û...
16,500¿ø
 [DM] ÀÚ¾ß ±Û·ç°Ç...
4,500¿ø

[³ëÅØ] ITS°ËÁö±â ÁÖÁ¦¾î±â(¼öÀÔÁ¦Ç° ÁÖ¹®ÈÄ ÃÖ´ë 6ÁÖ¼Ò¿ä)(°ßÀû¿äû)
  »óǰ¹øÈ£                  6776
  ÆÇ¸Å°¡°Ý         ¿ø (°ßÀû¹®ÀÇ) (VATÆ÷ÇÔ)  
  Á¦Á¶/ÆÇ¸Å NORTECH
  ¿ø»êÁö ³²¾Æ°ø
  Àç°í ÆÇ¸ÅÁß
  ±¸¸Å¼ö·®

°³  
  °¡°Ý ¿ø(VATÆ÷ÇÔ)
  ÃѰ¡°Ý ¿ø(VATÆ÷ÇÔ)
 ºê·£µåÀÇ ´Ù¸¥ »óǰº¸±â
 »óǰ ÃÖÁ¾ ¼öÁ¤ÀÏ : 2015-02-11 20:24:33
  
°Ô½Ã±ÛÀ» twitter·Î º¸³»±â °Ô½Ã±ÛÀ» facebookÀ¸·Î º¸³»±â °Ô½Ã±ÛÀ» Me2Day·Î º¸³»±â °Ô½Ã±ÛÀ» ¿äÁòÀ¸·Î º¸³»±â °Ô½Ã±ÛÀ» ±¸±Û·Î ºÏ¸¶Å© Çϱ⠰ԽñÛÀ» ³×À̹ö·Î ºÏ¸¶Å© Çϱâ

Â÷·®¼Óµµ, ±³Åë·®, ÅëÇà·®, Â÷Á¾ µî¿¡ ´ëÇÑ Á¤º¸¸¦ ¿¬»êÇÏ¿© Ãâ·ÂÇÏ´Â ±â´ÉÀ» º¸À¯

 

SC600EP Data Processor


APPLICATIONS

 


· Incident Monitoring

· Vehicle Classification

· Statistical Flow Analysis

· Tunnel Monitoring


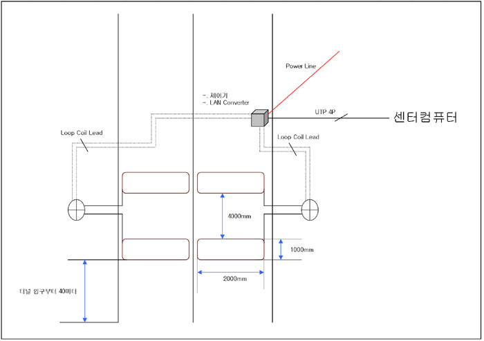
·çÇÁ°ËÁö±â ±³ÅëÁ¤º¸½Ã½ºÅÛ


  1. °³ ¿ä

   ÀÚµ¿Â÷Àü¿ëµµ·Î, °í¼Óµµ·Î, ÅͳÎ, ±³·®, ±¹µµ ¹× ½Ã°¡ÁöÀÇ °£¼±µµ·Î¿¡ ´ëÇÑ ½Ç½Ã°£ ±³ÅëÁ¤º¸¸¦ ¼öÁýÇϱâÀ§ÇÑ

   ½Ã½ºÅÛÀ¸·Î ·çÇÁÄÚÀÏ ¹× Â÷·®°ËÁö±â¿Í ·ÎÄÃÁ¦¾î±âÀÇ Á¶ÇÕÀ¸·Î ±³Åë·®Á¤º¸¸¦ ¼öÁýÇÏ¿© ±³Åë °üÁ¦ ¼¾Å¸·Î Àü

   ¼ÛÇÏ´Â ½Ã½ºÅÛÀÌ´Ù.

   Áö¿ª Á¦¾îÀåÄ¡´Â °í¼Óµµ·Î/°£¼±µµ·ÎÀÇ Â÷·®°ËÁö ½Ã½ºÅÛ(VDS:Vehicle Detection System)ÀÇ ÇöÀå ´Ü¸» ÀåÄ¡·Î

    Loop Coil°ú  Â÷·®°ËÁö±â(Loop Detection controller), Åë½ÅÀåÄ¡ ¹× Àü¿øÀåÄ¡·Î ±¸¼ºµÇ¾î ÀÖÀ¸¸ç ¼öÁýµÈ ±³Åë

    ÀڷḦ ±³Åë°üÁ¦¼¾Å¸ÀÇ Server¿¡ Åë½Å¼±·Î¸¦ ÅëÇÏ¿© ½Ç½Ã°£À¸·Î Àü¼ÛÇÑ´Ù.

 

  2. ½Ã½ºÅÛ ±¸¼º

 

   °í¼Óµµ·Î ¹× Áß¿ä ±¹µµÀÇ »óÇà ¹× ÇÏÇ༱ÀÇ µµ·Î»ó¿¡ ¼³Ä¡µÈ °¢  Loop Coil ¹× ·çÇÁ°ËÁö±â Á¦¾îÀåÄ¡¿Í ¼¾Å¸ÀÇ
   ±³ÅëÁ¤º¸¼öÁý Server¿ÍÀÇ ½Ã½ºÅÛ ±¸¼ºÀº ´ÙÀ½°ú °°´Ù.

   ÀÌ ½Ã½ºÅÛÀÇ µµ·ÎÇöÀå ¼³Ä¡ ±¸¼ºÀº ´ÙÀ½°ú °°´Ù.

 

                      

        Loop Coil°ú °ËÁö±â ¹× ·ÎÄÃÁ¦¾î±â¿Í ±³Åë°üÁ¦ ¼¾Å¸°£ÀÇ Àüü ½Ã½ºÅÛ Block DiagramÀº ´ÙÀ½°ú °°½À´Ï´Ù.


                       

 

  3. ÁÖ¿ä±â±â ³»¿ë ¹× »ç¾ç

 

   ·çÇÁ °ËÁö±â ½Ã½ºÅÛÀÇ ÁÖ¿ä ±¸¼ºÀåÄ¡ ¹× ±â±âÀÇ ¼º´É°ú ³»¿ëÀº ´ÙÀ½°ú °°½À´Ï´Ù.

 

   (1) ·çÇÁ°ËÁö±â Á¦¾îÀåÄ¡ 

   ·çÇÁ°ËÁö±â Á¦¾îÀåÄ¡´Â ·çÇÁ °ËÁö±â Á¦¾î±â (Loop Detector Controller)¿Í Åë½ÅÁ¦¾îÀåÄ¡ ¹× Àü¿øÀåÄ¡·Î ±¸¼ºµÇ¾î ÀüõÈÄ ¹æ¼öÇü

   Ä³ºñ³Ý¿¡ ½ÇÀåµÇ¾î ÀÖÀ¸¸ç ´ë 64ä³ÎÀÇ Â÷·®ÅëÇà Á¤º¸¸¦ ¹Þ¾Æ ÀǹÌÀÖ´Â ±³ÅëÅë°èÁ¤º¸¸¦ ÃßÃâÇÑ´Ù.

   ·çÇÁ °ËÁö Á¦¾îÀåÄ¡ÀÇ ±â±â ±¸¼ºÀº ´ÙÀ½°ú °°½À´Ï´Ù.

      - ·çÇÁ°ËÁö±â ·¢
      - Åë½ÅÁ¦¾îÀåÄ¡

      - Àü¿øÀåÄ¡ ¹× ³«·Úº¸È£±â
      - 19" Rack ÇÔü(Cabinet)

                                                      

  4. ±â ´É

 

 

 

 

     Áö¿ªÀåÄ¡¿¡¼­ ¼öÇàÇÏ´Â ÁÖ¿ä±â´É°ú ³»¿ëÀº ´ÙÀ½°ú °°½À´Ï´Ù.

         ¢º ±âº» ±³ÅëÀÚ·á ¼öÁý ¹× ºÐ¼®(±³Åë·®,  ¼Óµµ,  Á¡À¯À², ±âŸ ±³ÅëÁ¤º¸)
         ¢º ¼öÁý ±³Åë Á¤º¸ÀÇ ½Ç½Ã°£ Àü¼Û
         ¢º ±³Åë»ç°í ÀνÄ(Traffic Incident Detection)
         ¢º ±³Åë»ç°í °æº¸ ½ÅÈ£ Àü¼Û

 

  

  5. Â÷·®°ËÁö±â(Loop Detector)

 

   Áö¿ª Á¦¾î ÀåÄ¡³»¿¡ ¼³ÀåµÇ´Â ·çÇÁ Â÷·®°ËÁö±â Á¦¾î±â´Â °í¼Óµµ·Î¿¡ ¼³Ä¡µÈ Loop Sensor ¹× Loop Detector ¿¡¼­ ȹµæÇÏ´Â

   ±³Åë·® Data ¸¦ °¢ Â÷¼±º°·Î ³»ÀåµÈ CPU¿¡¼­ ºÐ¼®ÇÏ¿© ¼¾Å¸ÀÇ  ±³ÅëÁ¤º¸ Server¿¡¼­ ÇÊ¿äÇÑ ±³ÅëÀڷḦ ¼¾Å¸·Î ¼ÛÃâÇÏ¿©

  ÁÖ¸ç ¶ÇÇÑ ±³Åë È帧ÀÇ È¥Àâµµ¸¦ ÆÇ´ÜÇÏ´Â Software°¡ ³»ÀåµÇ¾î ÀÖ¾î ±³Åë»ç°í »óŸ¦ ÆÇ´ÜÇÏ¿© °æº¸ ½ÅÈ£¸¦ ¼ÛÃâÅä·Ï ÇÑ´Ù.

 

   ÁÖ¿ä±â´É ¹× Ư¡ 

 

   Á¦¾î±âÀÇ CPU Board´Â Backplan Bus¸¦ ÅëÇÏ¿© 32ä³ÎÀÇ  Loop Â÷·®°ËÁö±âÀÇ °ËÁö »óŸ¦ ¸Å 20ms °£°ÝÀ¸·Î ¼öÁýÇÏ¿©,

   À̸¦ ºÐ¼®,°è»êÇÏ¿© °¢Á¾ ÆÄ¶ó¸ÞŸ ¸¦ »êÃâ, Á¦¾îÇÏ¸ç º°µµÀÇ Åë½Å Serial port ¿Í Åë½ÅÀåÄ¡¸¦ ÅëÇÏ¿© ±³ÅëÁ¤º¸ ¸¦ Ãâ·Â½Ã

   Å²´Ù. 

 

     ¢º ÃÖ´ë 16Â÷¼± ÃøÁ¤ °¡´É
     ¢º 95% ÀÌ»óÀÇ ½Å·Ú¼ºÀÖ´Â ±³Åë Parameter ¼öÁý 
     ¢º ÀÚü ±³Åë»ç°í °¨Áö (Incident Detection) Software ³»Àå
     ¢º 4Ch. Loop Detector Card »ç¿ë 
     ¢º Video Image Detector  WIM Detector»ç¿ë°¡´É 
     ¢º º°µµÀÇ CPU Board ¹× Communication Board »ç¿ë 
     ¢º Solar battery »ç¿ë °¡´É
     ¢º 3U 19" Ç¥ÁØ Rack »ç¿ë

 



ÀÔ±ÝÈ®ÀÎ ÈÄ Æò±Õ 3ÀÏ À̳»·Î ¹è¼ÛµË´Ï´Ù.
(´Ü, ÁÖ¹®»óǰ, ¼öÀÔǰ, ´ë·®ÁÖ¹®¿¡ µû¸¥ Àç°íºÎÁ·ÀÇ °æ¿ì 2ÁÖ ÀÌ»óÀÇ ½Ã°£ÀÌ ¿ä±¸µÇ´Â °æ¿ìµµ ÀÖ½À´Ï´Ù.)
Á¦ÀÛ È¤Àº ¼öÀÔ¿¡ 1ÁÖÀÏ ÀÌ»ó ¼Ò¿äµÇ´Â Á¦Ç°ÀÇ °æ¿ì ÁÖ¹®½Ã »óǰ´ëÀÇ 70%ÀÌ»óÀÌ ÀԱݵǾî¾ß ÁÖ¹®ÀÌ °¡´ÉÇϸç, ÁÖ¹®Ãë¼Ò°¡ ºÒ°¡´ÉÇϹǷΠÁÖÀǸ¦ ¿äÇÕ´Ï´Ù. Åä¿äÀÏ/°øÈÞÀÏÀº ¹è¼Û±â°£¿¡ Æ÷ÇÔµÇÁö ¾Ê½À´Ï´Ù.
µµ¼­/»ê°£Áö¿ªÀº 2¡­3ÀÏ Á¤µµ Ãß°¡ ¼Ò¿äµË´Ï´Ù.
ºÒ°¡Ç×·ÂÀû (ÀϽÃǰÀý, Á¦Á¶»ç »óǰ¼ö±Þ ¹®Á¦, õÀçÁöº¯ µî)ÀÎ »çÀ¯·Î ¹è¼ÛÀÌ ´Ê¾îÁú ¼ö ÀÖ½À´Ï´Ù.
ÀμⰡ Æ÷ÇԵǴ °£ÆÇ·ùÀÇ ¹è¼ÛÀÏÀº µðÀÚÀÎ ½Ã¾È È®Á¤ÈÄ 5~7ÀÏÁ¤µµ ¼Ò¿äµÇ¸ç, ¹è¼ÛÀÌ Áö¿¬µÉ °æ¿ì º°µµÀÇ ¿¬¶ôÀ» µå¸³´Ï´Ù.
 
: Àü±¹ (ÀϺÎÁö¿ª Á¦¿Ü)
 

¹è¼Ûºñ Æ÷ÇÔÀÌ ¸í½ÃµÇ¾î ÀÖÁö ¾ÊÀº ¸ðµç »óǰÀº ÂøºÒ·Î ¹ß¼ÛµË´Ï´Ù.
¾ÈÀü¿ëǰ, »ê¾÷¿ëǰÀÇ °æ¿ì »çÀÌÁî ¹× Áß·®À» È®ÀÎÇϰí ÁÖ¹®Àü ¹è¼Ûºñ¸¦ »ó´ãÇÏ¿© Áֽñ⠹ٶø´Ï´Ù.

»óǰ¿¡ µû¶ó ¹°Ç°±¸ÀÔºñ¿ë º¸´Ù ¹è¼Ûºñ°¡ ³ô°Ô Ã¥Á¤µÇ´Â °æ¿ìµµ ÀÖÀ¸¸ç, ¹è¼Ûºñ °ü·Ã Å©·¹ÀÓÀÌ °£È¤ ¹ß»ýÇÕ´Ï´Ù.
ƯÈ÷, ¹è¼Ûºñ ¾È³»½Ã ¡°ÆÄÅ·¼¼ÀÏÀÌ È­¹° ¿î¼Ûºñ¸¦ ºÎ´ãÇÑ´Ù¡±´Â Àǹ̴ °í°´´ÔÀÇ Àα٠ȭ¹° Ãë±Þ¼Ò±îÁö¸¸ ¹è¼Ûºñ¸¦ ºÎ´ãÇÑ´Ù´Â °ÍÀ» ÀǹÌÇϸç, °í°´´Ô²²¼­ ¿äûÇϽŠȭ¹° Ãë±Þ¼Ò¿¡¼­ Á¦Ç°À» Á÷Á¢ ÀμöÇÏ¿©¾ß ÇÕ´Ï´Ù.
¸¸¾à °í°´´Ô²²¼­ ¿øÇϽô À§Ä¡±îÁö ¹è¼ÛÀ» ¿øÇÏ´Â °æ¿ì ¹è¼Ûºñ(È­¹°¿¬°è Åùèºñ)´Â °í°´´Ô²²¼­ Á÷Á¢ ºÎ´ãÇÏ¼Å¾ß ÇÕ´Ï´Ù.
ÆÇ¸ÅÀÚ°¡ ´Ù¸¥ »óǰÀ̰ųª »óǰÀÇ Ä«Å×°í¸®°¡ ´Ù¸¥ °æ¿ì ȤÀº ¹­À½ ¹è¼Û½Ã ¼Õ»ó¿ì·Á°¡ ÀÖ´Â »óǰÀº ¹­À½¹è¼ÛÀÌ µÇÁö ¾Ê½À´Ï´Ù.

°øÀå Á÷Á¢ÃâÇÏ Ç°¸ñÀº ¼ÒÇü»óǰÀÎ °æ¿ì¿¡µµ ¹Ú½º´ç ¹è¼Ûºñ°¡ ÀϹÝÀûÀÎ °æ¿ìº¸´Ù 2¹è ÀÌ»ó ºÎ°¡µÉ ¼ö ÀÖ½À´Ï´Ù.
¼®Àç, °í¹«Á¦Ç°, Áß·®¹° µîÀÇ °æ¿ì¿¡´Â È­¹°, ¿ë´Þ, ´Ù¸¶½º ¹è¼ÛÀÌ Åù質 ±âŸÀÇ ¹è¼Ûºñ º¸´Ù Àú·ÅÇÒ ¼ö ÀÖ½À´Ï´Ù.
¼®À纼¶óµå, ºÎ½º µîÀÇ ÁÖ¹®½Ã ÇÏÂ÷¸¦ À§Çؼ­´Â ¾ÈÀüÀ» À§ÇÏ¿© Áö°ÔÂ÷¸¦ ÁغñÇÏ¼Å¾ß ÇÕ´Ï´Ù. Áö°ÔÂ÷ ºñ¿ëÀº °í°´´Ô ºÎ´ãÀÔ´Ï´Ù.
µµ¼­, »ê°£, ¿ÀÁöµî ±³ÅëÀÌ ºÒÆíÇÑ Áö¿ª ¹è¼Û½Ã ¹è¼Ûºñ°¡ Ãß°¡ µÉ ¼ö ÀÖ½À´Ï´Ù.

 
 

ÆÄÅ·¼¼ÀÏ¿¡¼­´Â º°µµ·Î A/S ±â°£ÀÌ Á¤ÇØÁø Á¦Ç°À» Á¦¿ÜÇÑ ³ª¸ÓÁö Á¦Ç°µéÀº 1³â°£A/S¸¦ º¸ÀåÇϸç, ÃâÀå A/S´Â ¼³Ä¡ÀÇ·Ú°¡ ÇÔ²² ¿äûµÈ »óǰÀ» Á¦¿ÜÇϰí´Â ½Ç½ÃÇÏÁö ¾Ê½À´Ï´Ù.(Áï, Á¦Ç°¸¸ ±¸¸ÅÇÑ °æ¿ì¿¡´Â ÃâÀå A/S¸¦ ½Ç½ÃÇÏÁö ¾Ê½À´Ï´Ù.)

ƯÈ÷, ¼ÒºñÀç »óǰ(¼Ò¸ð¼º»óǰ)ÀÇ °æ¿ì¿¡´Â ±¸¸Å È®Á¤ÈÄ¿¡´Â A/S°¡ ºÒ°¡´ÉÇÕ´Ï´Ù.
¸¸¾à ÃâÀå A/S¸¦ ¿øÇÏ´Â °æ¿ì À§³Ê±â¼ú¢ß¿¡¼­ Á¤ÇÑ ±âÁØ¿¡ µû¶ó ¼ÒÁ¤ÀÇ A/SÃâÀåºñ[ÃâÀåÀΰǺñ ¹× ºÎǰºñ]¸¦ ÁöºÒÇÏ¼Å¾ß ÇÕ´Ï´Ù.

Á¦Ç° ±¸¸Å Àμö ÈÄ 7ÀÏ À̳»ÀÇ Á¦Ç°Àº Ãʱ⠺ҷ®¿¡ ÇÑÇØ 1:1 »óǰ ±³È¯ ¶Ç´Â ȯºÒÀÌ °¡´ÉÇÕ´Ï´Ù. ´Ü, Á¦Ç°ÀÇ ¹Ú½º ¹× ±¸¼º¹°ÀÌ ÀüºÎ Á¤»ó »óÅ¿¡¼­¸¸ °¡´É ÇÕ´Ï´Ù. ±³È¯ÀÇ °æ¿ì µ¿ÀÏ »óǰÀ¸·Î 1:1 ±³È¯Àº °¡´ÉÇϳª ´Ù¸¥ »óǰÀ¸·Î ±³È¯Àº ºÒ°¡´ÉÇÕ´Ï´Ù.

ƯÈ÷, ÁÖ¹® »ý»êµÈ »óǰ, ´ë·®À¸·Î ¹°Ç°À» ÁÖ¹®ÇÑ ÈÄ ºÒ¿ëÀÚÀç°¡ µÇ¾î ȯºÒ¿äû/¹°Ç°±³È¯ µîÀÌ ºÒ°¡´ÉÇϹǷΠƯÈ÷ ÁÖÀǸ¦ ¿äÇÕ´Ï´Ù.
±¸¸ÅÇÑ »óǰÀ» ȯºÒ¹ÞÀ¸½Ã±â À§Çؼ­´Â Á¦Ç°ÀÇ Æ÷Àå»óÅÂ¿Í ³»¿ë¹°ÀÌ ÈѼյÇÁö ¾Ê¾Æ¾ß ÇÏ¸ç ½ºÆ¼Ä¿, Å×ÀÌÇÁ¸¦ ºÙ¿©¼­ Á¦Ç°ÀÇ ¹Ú½º Æ÷ÀåÀÌ ÈѼյǸé ȯºÒÀÌ ºÒ°¡ÇÕ´Ï´Ù.Á¦Ç° ±³È¯, ȯºÒ¿¡ ´ëÇÑ ³»¿ëÀ» Á¤È®È÷ È®ÀÎÇϽðí ÁÖ¹®ÇϽñ⠹ٶø´Ï´Ù.

û¾àöȸ : ¼ÒºñÀÚÀÇ ´Ü¼ø º¯½É¿¡ ȯºÒÀº Á¦Ç°ÀÇ Æ÷Àå»óŰ¡ óÀ½°ú °°¾Æ ÀçÆÇ¸Å°¡ °¡´ÉÇÒ ¶§¿¡ 7ÀÏ À̳»¿¡ °¡´ÉÇÕ´Ï´Ù.(¿î¼Û·á ¼ÒºñÀÚ ºÎ´ã)
±×·¯³ª ÁÖ¹®Á¦ÀÛǰ, ´ë·® »ý»êÁÖ¹® »óǰÀº ±³È¯À̳ª ȯºÒÀÌ ºÒ°¡´ÉÇϹǷΠÁÖÀÇÇÏ¿© ÁֽʽÿÀ.

¼ÒÇÁÆ®¿þ¾î »óǰÀÏ °æ¿ì, Á¦Ç°ÀÇ °³ºÀ ÈÄ¿£ ±³È¯/ȯºÒÀÌ Àý´ë ºÒ°¡ÇÕ´Ï´Ù.
¼ÒºñÀÚ °ú½Ç¿¡ ÀÇÇÑ ÆÄ¼ÕÀÎ °æ¿ì¿¡´Â À¯»ó A/S 󸮰¡ µÇ¸ç °æ¿ì¿¡ µû¶ó A/S°¡ ºÒ°¡´ÉÇÒ ¼ö ÀÖ½À´Ï´Ù.
õÀçÁöº¯¿¡ ÀÇÇÏ¿© Á¦Ç°¿¡ ¼Õ»óÀÌ ÀÖ´Â °æ¿ì¿£ A/S󸮰¡ ºÒ°¡´ÉÇÒ ¼ö ÀÖ½À´Ï´Ù.
Á¦Ç° ±¸¸Å Àμö ÈÄ 7ÀÏ À̳»ÀÇ Á¦Ç° ºÒ·® ¹ß»ý½Ã A/S¿¡ °üÇÑ ÅÃ¹è ¿îÀÓºñ´Â Àü¾× ÆÄÅ·¼¼ÀÏÀÌ ºÎ´ãÇÕ´Ï´Ù.

´Ü, 7ÀÏ ÀÌÈÄ¿¡ ¹ß»ýÇÏ´Â ¸ðµç ¹è¼Û¿¡ °üÇÑ ¿îÀÓºñ´Â ¼ÒºñÀںв²¼­ ºÎ´ãÇÏ½Ã°Ô µÇ¹Ç·Î À¯ÀÇÇϽñ⠹ٶø´Ï´Ù.

ÆÄÅ·¼¼ÀÏ¿¡¼­ ÀÚüÀûÀ¸·Î Á¦ÀÛÇÑ ±â´É»óǰÀÇ °æ¿ì 1³â µ¿¾È ¹«»ó A/S󸮰¡ µË´Ï´Ù.
´Ü, ÆÄÅ·¼¼ÀÏ »óǰÀÇ ºÎ¼Óǰ Áß ´ÜÁ¾ÀÌ µÈ »óǰÀº ÇØ´ç ¼­ºñ½º ¾÷üÀÇ Ã³¸® ±âÁØ¿¡ ÀÇÇØ º¸»óµË´Ï´Ù.
ÆÄÅ·¼¼ÀÏ¿¡¼­ ÆÇ¸ÅÇÏ´Â »óǰ Áß ¼ÒÇÁÆ®¿þ¾î´Â A/SÇ׸ñ¿¡ Æ÷ÇÔµÇÁö ¾Ê½À´Ï´Ù.

ÆÄÅ·¼¼ÀÏ ¼îÇθôÀÇ ÁÖ¹® À¯È¿ ±â°£Àº ÁÖ¹® ÈÄ 7ÀÏÀ̸ç ÀÌÈÄ ÀÔ±ÝÀÌ µÇÁö ¾Ê´Â ÁÖ¹®Àº »èÁ¦ 󸮵˴ϴÙ.
ÆÄÅ·¼¼ÀÏ¿¡ Ç¥±âµÈ ¸ðµç °¡°ÝÀº ºÎ°¡¼¼°¡ Æ÷ÇÔµÈ ±Ý¾×À̸ç, ¹è¼Ûºñ´Â ´ëºÎºÐ º°µµÀÔ´Ï´Ù.

[±³È¯ ¹× ȯºÒÀÇ ÀϹÝÁ¶°Ç: ¹è¼Ûºñ ÆÄÅ·¼¼ÀÏ ºÎ´ã]
-. ÁÖ¹®ÇÑ ³»¿ë°ú ´Ù¸¥ »óǰÀ» ¹è¼ÛÇÑ °æ¿ì
-. »óǰÀÇ À¯È¿±â°£ÀÌ °æ°úÇÑ »óǰÀ» ¹è¼ÛÇÑ °æ¿ì
-. »óǰÀÇ ÆÄ¼Õ ¹× ¼Õ»óµÈ »óǰÀ» ¹è¼ÛÇÑ °æ¿ì
[±³È¯ ¹× ȯºÒÀÌ ¾ÈµÇ´Â Á¶°Ç]

-. °í°´´ÔÀÇ ¿ä±¸¿¡ µû¶ó ÁÖ¹® »ý»êµÈ »óǰ, Àμ⹰ÀÌ Æ÷ÇÔµÈ »óǰ, öÀç ȤÀº ºñö °¡°øÇ°
-. Ç¥ÁØ »óǰÀÌÁö¸¸ ´ë·®»ý»ê ¿äûÇÏ¿© »ý»êÀÌ ¿Ï·áµÈ °æ¿ì
-. °í°´´ÔÀÇ ¿ä±¸¿¡ ÀÇÇÏ¿© ÇØ¿Ü·ÎºÎÅÍ ¼öÀÔµÈ »óǰ
-. °í°´´ÔÀÇ Ã¥ÀÓÀÖ´Â »çÀ¯·Î »óǰÀÌ ºÐ½Ç ¶Ç´Â ÈÑ¼ÕµÈ °æ¿ì
-. Æ÷ÀåÀ» °³ºÀÇÏ¿´°Å³ª Æ÷ÀåÀÌ ÈÑ¼ÕµÇ¾î »óǰ°¡Ä¡°¡ »ó½ÇµÈ °æ¿ì
-. ÀÌ¿ëÀÚÀÇ »ç¿ë ¶Ç´Â ÀϺμҺñ¿¡ ÀÇÇÏ¿© »óǰÀÇ °¡Ä¡°¡ ÇöÀúÈ÷ °¨¼ÒÇÑ °æ¿ì
-. ½Ã°£ÀÇ °æ°ú¿¡ ÀÇÇÏ¿© ÀçÆÇ¸Å°¡ °ï¶õÇÒ Á¤µµ·Î »óǰÀÇ °¡Ä¡°¡ ÇöÀúÈ÷ °¨¼ÒÇÑ °æ¿ì
-. »óǰÀÇ ¶óº§ ¹× Æ÷ÀåÀÇ °³ºÀ ÈÄ »óǰ °¡Ä¡°¡ ÈÑ¼ÕµÈ °æ¿ì

[ȯºÒ¾È³»]
-. ¼±°áÁ¦ÇÑ ÁÖ¹®À» Ãë¼ÒÇÑ °æ¿ì¿¡´Â ¹è¼ÛÃâ¹ß ÀüÀ̸é ÁÖ¹® Ãë¼Ò ÈÄ Á¶°Ç¿¡ µû¶ó ÀÌü ¼ö¼ö·á °øÁ¦ÈÄ È¯ºÒ
-. ¹ÝǰÀÇ °æ¿ì¿¡´Â ÆÄÅ·¼¼ÀÏ¿¡¼­ ¹Ýǰ »óǰÀÌ µµÂøÇÑ ÈÄ Á¶°Ç¿¡ µû¶ó ÀÌü ¼ö¼ö·á °øÁ¦ÈÄ È¯ºÒ
-. ½Å¿ëÄ«µå·Î °áÁ¦ÇÑ °æ¿ì Ä«µå»ç·ÎºÎÅÍ ´ë±Ýû±¸°¡ µÇ¾ú´Ù¸é Çö±ÝÀ¸·Î ÀÔ±Ý(Á¶°Ç¿¡ µû¶ó ÀÌü ¼ö¼ö·á°øÁ¦ ÈÄ)
   Ä«µå»ç·ÎºÎÅÍ ´ë±Ýû±¸°¡ µÇÁö ¾Ê¾Ò´Ù¸é, Ä«µå°áÁ¦ ½ÂÀÎÃë¼Ò(Ä«µå°áÁ¦ ´ë±ÝÀÌ Ã»±¸ µÇÁö ¾ÊÀ½)
-. ½Ç½Ã°£ °èÁÂÀÌü·Î °áÁ¦ÇÑ °æ¿ì - ½ÂÀÎÃë¼Ò ¶Ç´Â Çö±ÝÀ¸·Î ȯºÒ
 
 

ÀüÈ­»ó´ãÀº ¿ù~±Ý ¿ÀÀü 9:00ºÎÅÍ ¿ÀÈÄ 5½Ã±îÁöÀÔ´Ï´Ù.
¿Â¶óÀÎ ÁÖ¹® Á¢¼ö´Â 24½Ã°£ ÁÖ¹® Á¢¼ö´Â °¡´ÉÇϳª ÅÃ¹è ¹è¼Û ¼­ºñ½º´Â ¿ÀÈÄ 4½Ã 30ºÐ±îÁöÀ̸ç, È­¹°Àº ¿ÀÈÄ 3½Ã,Äü ¼­ºñ½º´Â ¿ÀÈÄ 5½ÃÀÔ´Ï´Ù.
ÁöÁ¤µÈ ½Ã°£ ÀÌÈÄ¿¡ ÁÖ¹® È®ÀÎÀ̳ª ÀÔ±Ý È®ÀÎ µÈ ÁÖ¹®Àº ´ÙÀ½³¯ ¹ß¼Ûó¸® µË´Ï´Ù. ´Ü, Åä¿äÀÏ, ÀÏ¿äÀÏ, °øÈÞÀÏÀº ÈÞ¹«ÀÔ´Ï´Ù.

 
 
- Á¦Ç° »ý»ê°øÀå ¿î¿µÀÚ, ¼öÀÔ ¹× ¼öÃâ¾÷ÀÚ, Á¦Ç°ÀÇ ¼³Ä¡¿Í ½Ã°øÁö¿øÀÌ °¡´ÉÇÑ °³ÀÎ ¹× ¹ýÀÎÀ» ¼ö½Ã·Î ¸ðÁýÇϰí ÀÖ½À´Ï´Ù.
- ¿ì¼öÇÑ Á¦Ç°À» °¡Áö°í ÆÇ¸Å¸ÁÀÌ ¾ø¾î °í¹ÎÇÏ½Å´Ù¸é °ü·ÃºÐ¾ß 1À§ ÆÄÅ·¼¼ÀÏ¿¡¼­ ±Í»çÀÇ »óǰÀ» ÆÇ¸ÅÇϽŴٸé ÀÌ¹Ì Àý¹ÝÀÇ ¼º°øÀ»ÀÌ·ç½Å °ÍÀÔ´Ï´Ù.
-

ÆÄÅ·¼¼ÀÏ¿¡ µî·ÏµÈ Á¦Ç° Áß Ç°ÁúÀÌ ¿ì¼öÇÑ Á¦Ç°Àº ¼±º°ÀûÀ¸·Î ¿µ¾î, ÀϺ»¾î, ·¯½Ã¾Æ¾î, Áß±¹¾î·Î ¹ø¿ªµÇ¾î Á¦Ç°ÀÌ ¼Ò°³µÇ¾î ¹ÙÀ̾î À¯Ä¡¸¦ Áö¿øÇϸç, ƯÈ÷, ÀϺ»ÀÇ °æ¿ì Àü¹® À¯Åë Çù·Â»ç¸¦ ÅëÇÏ¿© ÀϺ»Àü¿ª¿¡ Á÷ÆÇµÇ´Â ±âȸ¸¦ ÇÔ²² ´©¸± ¼ö ÀÖ½À´Ï´Ù.

- ÆÄÅ·¼¼ÀÏ¿¡ »õ·Î¿î ¼­ºñ½º¸¦ Á¦¾ÈÇØ ÁֽʽÿÀ. ¿­¸°»ý°¢°ú ½Ã°¢À¸·Î °í°´´Ô°ú ÇÔ²² »ó»ýÇÒ ¼ö ÀÖ´Â ºñÁî´Ï½º ÆÄÆ®³Ê°¡ µÇ°Ú½À´Ï´Ù.
- ÆÄÅ·¼¼ÀÏ¿¡¼­ ¹è³Ê±¤°í¸¦ ½ÃÀÛÇÏ¿© º¸½Ê½Ã¿À. ¾ÈÀü¿ëǰ/»ê¾÷¿ëǰ°ü·Ã Ãִ٠ȸ¿øÀ» È®º¸Çϰí ÀÖÀ¸¸ç, ÃÖ°íÀÇ Page View¸¦ ÀÚ¶ûÇÕ´Ï´Ù.
- ÆÄÅ·¼¼ÀÏ È¸¿øÀ» ´ë»óÀ¸·Î À̺¥Æ® Á¦ÈÞÁ¦¾ÈÀ» ¹Þ½À´Ï´Ù. °æ¸Å, °øµ¿±¸¸Å, ÇÒÀÎÄíÆù, ¿µÈ­¿¹¸Å±Ç µîÀ» ÀÌ¿ëÇÑ À̺¥Æ® Á¦¾È ³»¿ëÀÌ ÀÖÀ¸½Ã¸é ¹®ÀÇÇÏ¿© ÁֽʽÿÀ.
- À§Å¹ÆÇ¸Å, Á¦ÈÞ, ¼³Ä¡ ¹× ½Ã°ø Çù·Â»ç ¹®ÀÇ´Â info@parkingsale.comÀÔ´Ï´Ù.